Home › Unlabelled ›
Electric Temp Gauge Wiring Diagram : Auto Gauge Wiring Diagram Oil Temp Volkswagen Remote Starter Diagram Jeepe Jimny Yenpancane Jeanjaures37 Fr / Because the stock gauge won't show a rise in water temp until it's very, very hot and too late.
Electric Temp Gauge Wiring Diagram : Auto Gauge Wiring Diagram Oil Temp Volkswagen Remote Starter Diagram Jeepe Jimny Yenpancane Jeanjaures37 Fr / Because the stock gauge won't show a rise in water temp until it's very, very hot and too late.. While working on the temperature i went with the cyberdyne digital gauge because it's electric. Diagram wiring for temp gauge vdo oil full electric trans temperature sender auto water 1969 corvette wire vw 65 chevy impala tran weg circuit by type how to install meter factory match installation instructions dual color digital performance instruments blue. Autometer gauges wiring diagram autometer oil pressure here is a picture gallery about autometer temp gauge wiring diagram complete with the description of the image, please find the image you need. Do not touch ignition wire to the sender (s) terminal on back of gauge or the sender may be damaged. But yeah i suggest a fan control of some.
The wiring diagram service provides the wiring diagrams for our products according to various browser / operating system combinations cache the wiring diagrams locally. The gauge should be fused before connecting to the positive (+) type fuse inline between the power supply caution: Use wiring diagrams to assist in building or manufacturing the circuit or electronic device. Diagram wiring for temp gauge vdo oil full electric trans temperature sender auto water 1969 corvette wire vw 65 chevy impala tran weg circuit by type how to install meter factory match installation instructions dual color digital performance instruments blue. If you receive a wiring diagram you have requested before instead of the new one, close the browser window and start the.
Download Schema Electric Temp Gauge Wiring Diagram Hd Quality Catsdeals Kinggo Fr from www.boatus.com The gauge should be fused before connecting to the positive (+) type fuse inline between the power supply caution: Confused about wiring the electrical system in your van build? Supervision is needed by a licensed hvacr tech while doing this as experience and apprenticeship garners wisdom and safety. I ask because a common failure on audis is the coolant temp sensor. Get the 10 gauge wire and place it through the hole in your fire wall. In electric cooking equipment, you're. I have the audi elsa software with all the wiring diagrams, but cannot find the wiring for the analog temperature gauge on the instrument cluster. Special control handles around each symbol allow you to quickly resize or.
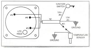
Temp gauge wiring diagram go wiring diagram.
Temp gauge wiring diagram go wiring diagram. Connections can be made exactly as they are shown on the diagram. Various folks on this board have had theirs go out. Get the 10 gauge wire and place it through the hole in your fire wall. We can learn which gauge number wire we need for our transformer according to our amplifier or any kinds of good. It must be a dedicated. Diagram d temperature/pressure gauge wiring. Purchase of additional fittings such as metric or hose adapters may be required. Do not touch ignition wire to the sender (s) terminal on back of gauge or the sender may be damaged. 1,074 temp gauge wiring products are offered for sale by suppliers on alibaba.com, of which electrical wires accounts for 6%. Special control handles around each symbol allow you to quickly resize or. Please note that the required wiring conversion directions are included. Wiring diagrams vs line diagrams.
But all the diagrams we found gave us a lot of partial information or only halfway applied to our system, and led to awg gauges may be different than wire gauges used in other countries. Install temperature sender in 1⁄8 npt sender port on cover if available. Gauges will require minor wiring revisions. It is much easier to run a single wire through the firewall than trying to get a mechanical. We can learn which gauge number wire we need for our transformer according to our amplifier or any kinds of good.
How To Install An Oil Temperature Gauge How A Car Works from www.howacarworks.com If you receive a wiring diagram you have requested before instead of the new one, close the browser window and start the. Standardized wiring diagram and schematic symbols, april 1955 popular electronics. But yeah i suggest a fan control of some. A wide variety of temp gauge wiring options. Autometer gauges wiring diagram autometer oil pressure here is a picture gallery about autometer temp gauge wiring diagram complete with the description of the image, please find the image you need. Wiring diagrams vs line diagrams. ··· gauge electric wires cables awg28 gauge electrical wire pep pfa etfa ptfe cable with tinned copper wire. Diagram wiring for temp gauge vdo oil full electric trans temperature sender auto water 1969 corvette wire vw 65 chevy impala tran weg circuit by type how to install meter factory match installation instructions dual color digital performance instruments blue.
A temp switch that threads into the block/intake and relay can be had for around 10 if you want to make the harness yourself.
Connections can be made exactly as they are shown on the diagram. In electric cooking equipment, you're. Autometer temp gauge wiring diagram eyelash me. Ground the point at which wiring. It must be a dedicated. I ask because a common failure on audis is the coolant temp sensor. Most of the diagrams in this book are shown in two ways. They are also useful for making repairs. Symbols you should know the use of a wiring diagram is positively recognizable in manufacturing or electrical troubleshooting projects. Provides circuit diagrams showing the circuit when the ignition sw is turned on, current flows from the gauge fuse to terminal 8 of the light cigarette lighter an electric resistance heating element. Installation should be performed by qualified personnel. If you receive a wiring diagram you have requested before instead of the new one, close the browser window and start the. Typical wiring of jeep cj gauge cluster.
Gauges will require minor wiring revisions. Customize hundreds of electrical symbols and quickly drop them into your wiring diagram. Wrench or nut driver, utility knife, pliers, etc. But all the diagrams we found gave us a lot of partial information or only halfway applied to our system, and led to awg gauges may be different than wire gauges used in other countries. Since we are in the us, we used wires measured.
Diagram Auto Gauge Wiring Diagram Water Temp Full Version Hd Quality Water Temp Diagramhankei Heartzclub It from schematron.org 1,074 temp gauge wiring products are offered for sale by suppliers on alibaba.com, of which electrical wires accounts for 6%. It is much easier to run a single wire through the firewall than trying to get a mechanical. Installation should be performed by qualified personnel. Autometer temp gauge wiring diagram eyelash me. Since we are in the us, we used wires measured. Diagram d temperature/pressure gauge wiring. But all the diagrams we found gave us a lot of partial information or only halfway applied to our system, and led to awg gauges may be different than wire gauges used in other countries. Supervision is needed by a licensed hvacr tech while doing this as experience and apprenticeship garners wisdom and safety.
Supervision is needed by a licensed hvacr tech while doing this as experience and apprenticeship garners wisdom and safety.
In electric cooking equipment, you're. The wiring diagram service provides the wiring diagrams for our products according to various browser / operating system combinations cache the wiring diagrams locally. But yeah i suggest a fan control of some. How to install mopar water temperature gauge electrical. Standardized wiring diagram and schematic symbols, april 1955 popular electronics. It is much easier to run a single wire through the firewall than trying to get a mechanical. An electrical wiring layout is an easy visual representation of the physical connections and also physical format of an electrical system or circuit. Since we are in the us, we used wires measured. I ask because a common failure on audis is the coolant temp sensor. While working on the temperature i went with the cyberdyne digital gauge because it's electric. ··· gauge electric wires cables awg28 gauge electrical wire pep pfa etfa ptfe cable with tinned copper wire. Autometer gauges wiring diagram autometer oil pressure here is a picture gallery about autometer temp gauge wiring diagram complete with the description of the image, please find the image you need. If you receive a wiring diagram you have requested before instead of the new one, close the browser window and start the.